ÅRHUSVEJ 18
DK 8362 HØRNING
TELEFON 8692 1093
TELEFAX 8692 4293
E-mail
FORSIDE
ORIENTERING
TRANSPORTRULLER
STÅLRULLER (11)
ALUMINIUMRULLER (14)
RUSTFRI STÅLRULLER (13)
EASY ROLLER PVC (23)
EASY ROLLER RUSTFRI (24)
KONUSRULLER (21)
PVC RULLER (15)
PEH RULLER (18)
INDVENDIGT GEVIND (22)
RULLEBANESVING (46)
HJULBANER (41)
STYRERULLER (31)
STYRESTEL (34)
SPRINGAKSEL (25)
AKSELENDER (30)
STÅLKUGLERULLER (74)
ENDENAVSKÆDEHJUL (26)
PLADEKÆDEHJUL (28)
RULLESTEL (32)
RULLEBANER (48)
KÆDEBANER (45)
BESLAG (36) (38)
BELÆGNINGER (85)
RINGE PÅ RULLER (86)
AFSKRABERE (54)
LØFTEBORDE - og VOGNE (81)
LØFTEBJØRNE (84)
TROMLEMOTORER (87)
FREKVENSOMFORMERE (88)
FJERNSTYRING (89)
HJUL (40)
VEDLIGEHOLDELSE
OMTALE
*
BILLEDGALLERI
OVERSIGT
*
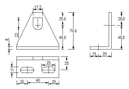
Oversigt Vinkelbeslag Lukket
Billedgalleri
Beslag Hovedoversigt
Vinkelbeslag - Lukket
Type BL 45
Tegn. nr. 36.045.017.0601