ÅRHUSVEJ 18
DK 8362 HØRNING
TELEFON 8692 1093
TELEFAX 8692 4293

E-mail
*
BILLEDGALLERI
*

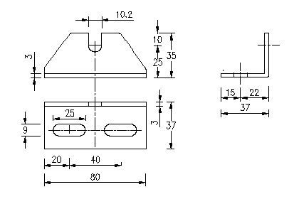
Elgalvaniserede beslag for transportruller - Oversigt

Specialbeslag  efter opgave. Vanger med udfræsninger for rulleanbringelse kan leveres.

Indenfor typerne har vi mange andre beslag end de viste - spørg venligst.

Billedgalleri

Vinkelbeslag BL Lukket

Lige beslag CL Lukket

Lige beslag C Åbent

Vinkelbeslag C Åbent