OVERSIGT ENDENAVSSKÆDEHJUL Øvrige akselender Centerafstande 5/8" kæde Billedgalleriside
ÅRHUSVEJ 18
DK 8362 HØRNING
TELEFON 8692 1093
TELEFAX 8692 4293

E-mail
*
BILLEDGALLERI
*
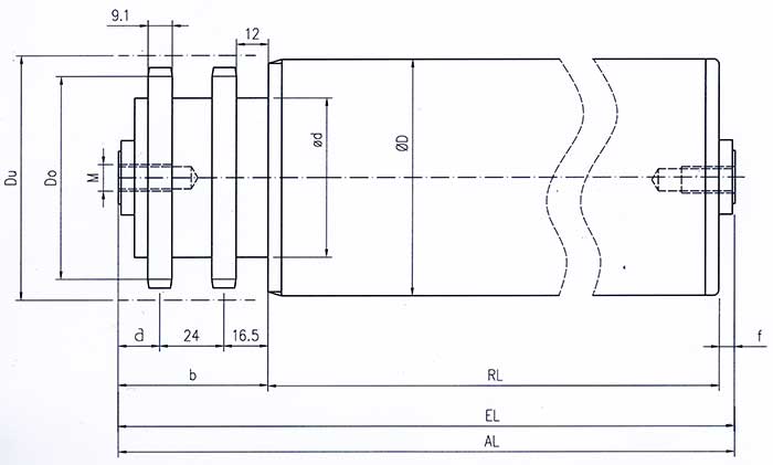
Endenavskædehjul


Dreven transportrulle
Med dobbelt stålkædehjul for 5/8" x 3/8" kæde.
Her vist med indvendigt gevind i akslen.

Rullediametre: 63.5-70-76-80-89-108-133 mm

Oftest anvendte akseltyper
INDEX INDVENDIGT GEVIND UDVENDIGT GEVIND
GLAT AKSELENDE
NØGLE-
VIDDE
a 15.5 14.5 14.5 14.5
b 56 55 55 55
f 6 5 5 5
EL = RL+ 62 60 60 60
AL = RL+ 62 Efter ønske Efter ønske Efter ønske
Dimension Efter ønske Efter ønske Efter ønske Efter ønske
Yderligere oplysninger til brug ved konstruktion