ÅRHUSVEJ 18
DK 8362 HØRNING
TELEFON 8692 1093
TELEFAX 8692 4293

E-mail
*
BILLEDGALLERI
*
OVERSIGT ENDENAVSSKÆDEHJUL Øvrige akselender Centerafstande 1/2"kæde Billedgalleriside
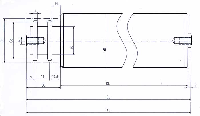
Endenavskædehjul


Dreven transportrulle
Med dobbelt stålkædehjul for1/2" x 5/16" kæde.
Her vist med indvendigt gevind i akslen.

Rullediametre: 40-50-60-63.5-70-76-80-89-108 mm

INDEX INDVENDIGT GEVIND UDVENDIGT GEVIND
GLAT AKSELENDE
NØGLE-
VIDDE
a 14.5 13.5 13.5 13.5
b 56 55 55 55
f 6 5 5 5
EL = RL+ 62 60 60 60
AL = RL+ 62 Efter ønske Efter ønske Efter ønske
Dimension Efter ønske Efter ønske Efter ønske Efterønske
TANDTAL ød
mm
øDmin.
mm
øDo
mm
øDu
mm
Aksel-
diameter
M
mm
TEGNING NUMMER
BESTILLINGSNUMMER
15 46.5 50 61.09 73 17 10 27.220.150.2203