ÅRHUSVEJ 18
DK 8362 HØRNING
TELEFON 8692 1093
TELEFAX 8692 4293
E-mail
FORSIDE
ORIENTERING
TRANSPORTRULLER
STÅLRULLER (11)
ALUMINIUMRULLER (14)
RUSTFRI STÅLRULLER (13)
EASY ROLLER PVC (23)
EASY ROLLER RUSTFRI (24)
KONUSRULLER (21)
PVC RULLER (15)
PEH RULLER (18)
INDVENDIGT GEVIND (22)
RULLEBANESVING (46)
HJULBANER (41)
STYRERULLER (31)
STYRESTEL (34)
SPRINGAKSEL (25)
AKSELENDER (30)
STÅLKUGLERULLER (74)
ENDENAVSKÆDEHJUL (26)
PLADEKÆDEHJUL (28)
RULLESTEL (32)
RULLEBANER (48)
KÆDEBANER (45)
BESLAG (36) (38)
BELÆGNINGER (85)
RINGE PÅ RULLER (86)
AFSKRABERE (54)
LØFTEBORDE - og VOGNE (81)
LØFTEBJØRNE (84)
TROMLEMOTORER (87)
FREKVENSOMFORMERE (88)
FJERNSTYRING (89)
HJUL (40)
VEDLIGEHOLDELSE
OMTALE
*
BILLEDGALLERI
OVERSIGT
*
Indvendigt gevind oversigt
Akselender
Dimensionering stålruller
Billedgalleri
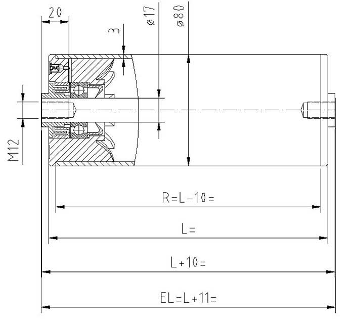
Rulle med indvendigt gevind 22.80.17.230658-2
'
'
BESKRIVELSE
Rulle ø80 mm
Aksel ø17 mm med indvendigt gevind M12
Ruller med indvendigt gevind føres i følgende materialer:
Stål, stål galvaniseret, rustfrit stål, PVC, PEH, teflonbelagt,