ÅRHUSVEJ 18
DK 8362 HØRNING
TELEFON 8692 1093
TELEFAX 8692 4293

E-mail
*
BILLEDGALLERI
*
Pladekædehjul oversigt Øvrige akselender Billedgalleriside

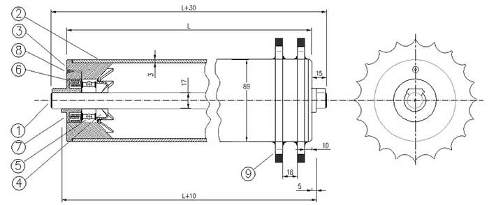
Pladekædehjul ø89 - A17 - Tegning nr. 28.089.017.2755

INDEX BESKRIVELSE
1 Aksel. ø17 mm centerlessslebet stål
2 Rør. Stålrør ø89 x 2.5 mm DIN 2394
3 Nav.  komposit
4 Fedtkapsel.  komposit
5 Præcisionskugleleje type 6203
6 Labyrinttætning, indvendig part.  komposit
7 Labyrinttætning, udvendig part.  komposit
8 Smørenippel D1 - A6 - Ø
9 Pladekædehjul. Stål 3/4"x 20z