|
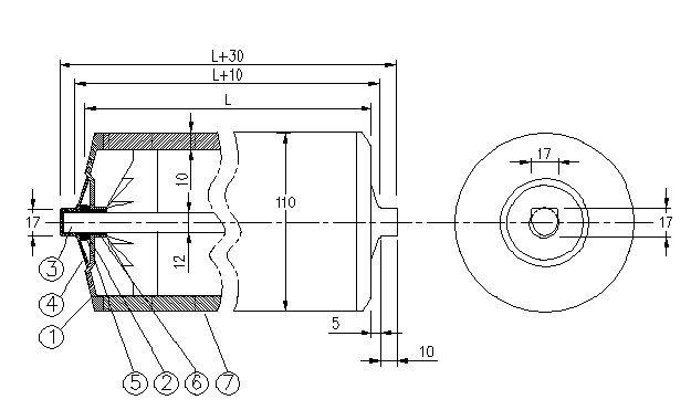
PEH rulle tegning nummer: 18.110.017.2667

| INDEX |
EMNE |
MATERIALE |
BEMÆRKNING |
| 1 |
Nav |
Polyethylen |
|
| 2 |
Distanceskive |
ø12 stål/rustfrit - stål/kunstof |
|
| 3 |
Aksel |
ø12 stål/rustfri |
|
| 4 |
Endedæksel |
Polyethylen |
|
| 5 |
Tætningsring |
Olieimprægneret skumplast |
|
| 6 |
Bøsning |
Nylon med molybdænsulfid |
|
| 7 |
Rør |
PEH - polyethylen ø090x 10.0 |
|
|