ÅRHUSVEJ 18
DK 8362 HØRNING
TELEFON 8692 1093
TELEFAX 8692 4293

E-mail
*
BILLEDGALLERI
*
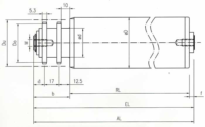
OVERSIGT ENDENAVSSKÆDEHJUL Øvrige akselender Centerafstande 3/8" kæde Billedgalleriside
Endenavskædehjul 27.120.150.110

Dreven transportrulle
Med dobbelt stålkædehjul for 3/8" x 7/32" kæde.
Her vist med indvendigt gevind i akslen.

Rullediametre: 40-50-60-63.5-70-76-80-89 mm

INDEX INDVENDIGT GEVIND UDVENDIGT GEVIND
GLAT AKSELENDE
NØGLEVIDDE

a 12.5 13.5 13.5 13.5
b 42 41 41 41
f 6 5 5 5
EL = RL+ 48 46 46 46
AL = RL+ 48 Efter ønske Efter ønske Efterønske
Dimension Efter ønske Efter ønske Efter ønske Efter ønske
TANDTAL ød
mm
øDmin.
mm
øDo
mm
øDu
mm
Aksel-
diameter
M
mm
TEGNING NUMMER
BESTILLINGSNUMMER
15 34 50 45.81 55 17 8 27.120.150.1102