ÅRHUSVEJ 18
DK 8362 HØRNING
TELEFON 8692 1093
TELEFAX 8692 4293
E-mail
FORSIDE
ORIENTERING
TRANSPORTRULLER
STÅLRULLER (11)
ALUMINIUMRULLER (14)
RUSTFRI STÅLRULLER (13)
EASY ROLLER PVC (23)
EASY ROLLER RUSTFRI (24)
KONUSRULLER (21)
PVC RULLER (15)
PEH RULLER (18)
INDVENDIGT GEVIND (22)
RULLEBANESVING (46)
HJULBANER (41)
STYRERULLER (31)
STYRESTEL (34)
SPRINGAKSEL (25)
AKSELENDER (30)
STÅLKUGLERULLER (74)
ENDENAVSKÆDEHJUL (26)
PLADEKÆDEHJUL (28)
RULLESTEL (32)
RULLEBANER (48)
KÆDEBANER (45)
BESLAG (36) (38)
BELÆGNINGER (85)
RINGE PÅ RULLER (86)
AFSKRABERE (54)
LØFTEBORDE - og VOGNE (81)
LØFTEBJØRNE (84)
TROMLEMOTORER (87)
FREKVENSOMFORMERE (88)
FJERNSTYRING (89)
HJUL (40)
VEDLIGEHOLDELSE
OMTALE
*
BILLEDGALLERI
OVERSIGT
*
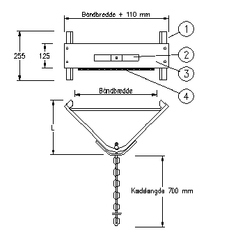
Afskraber serie 8500 -
PU-plov
Oversigt Afskrabere
Sortiment
Art nummer
Båndbredde
L
Vægt
8504
400
280
4,9 kg
8505
500
330
5,2 kg
8506
650
390
6,4 kg
8508
800
450
7,3 kg
8510
1000
540
8,5 kg
8512
1200
640
9,2 kg
Alle mål i mm
Del af tegning nummer 54.000.000.8500
1
Styr
2
Beslag for kæde
3
Skrabeliste. Polyuretan
4
Tranportbåndets indvendige returside
Alle ståldele er el-galvaniserede
Anvendelse
Rensning af transportbånds inderside