ÅRHUSVEJ 18
DK 8362 HØRNING
TELEFON 8692 1093
TELEFAX 8692 4293
E-mail
*
Forside
Oversigt Lejehuse
Tilbehør
Rustfrie kuglelejer i Thermoplastic eller Rustfri stål huse
Platinum Series
SSUC P Rustfri lejehus med rustfri kugleeje
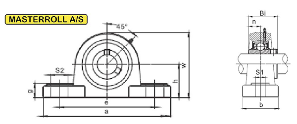
Lejehus Billede
Lejehus snit